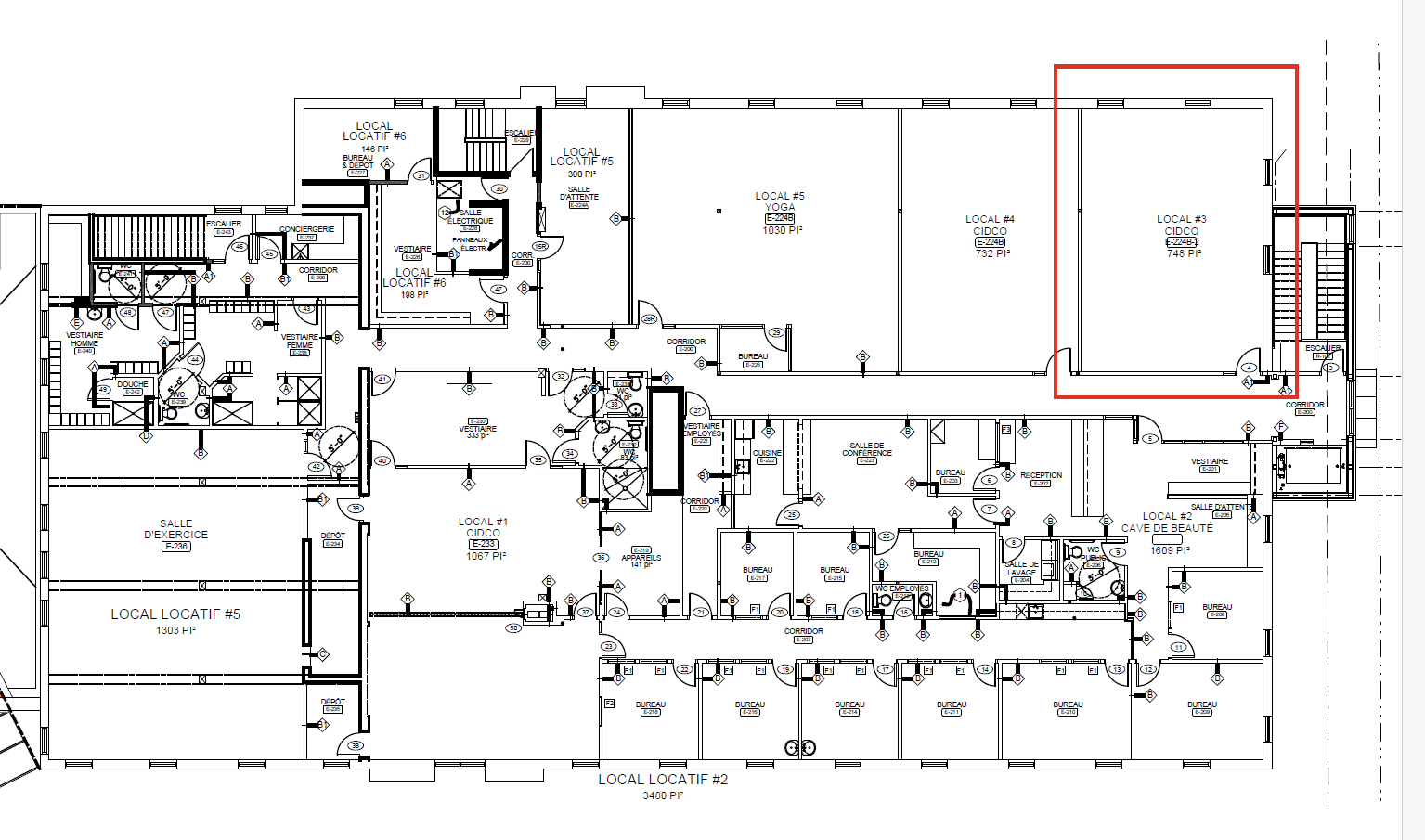
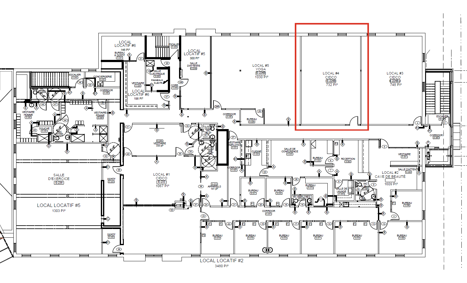
LOCAUX COMMERCIAUX À LOUER

Type de local: